94

Dowel to fasten upholstery

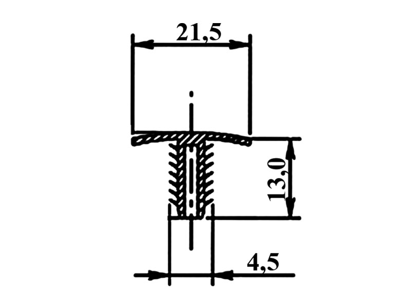
94Dowel to fasten upholstery Ø 4,5mm
Nissan

Reviews

There are no reviews yet.

Be the first to review “94”