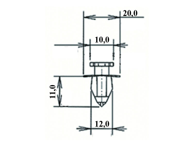
Dowel for fastening side tab
117Dowel for fastening side tab
Citroen C2, EvasionOEM:856540
Lancia Delta, Ypsilon, Fiat Stilo, Multipla, Ducato OEM:71719954
Peugeot 103 96-03, 206, 207, 306 97-05, Boxer, Expert OEM: 856540
You must be logged in to post a review.
Reviews
There are no reviews yet.